The Best Rzr 1000 Wiring Diagram: Find Your Model References

Best Diagram Schematics Tips and References website . Search anything about Diagram Schematics Ideas in this website.

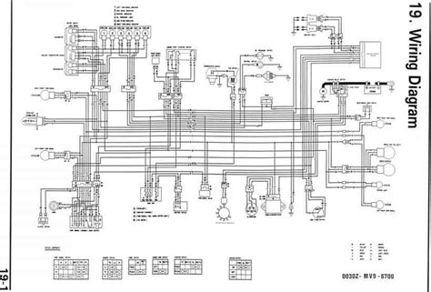
The Best Rzr 1000 Wiring Diagram: Find Your Model References. Rzr xp 1000 offroad vehicle pdf manual download. Web understanding the polaris rzr 1000 wiring diagram can help you make sure your vehicle is always running its best,.

Polaris Rzr 1000 Wiring Diagram
Polaris Rzr 1000 Wiring Diagram from guidelibglenda.z13.web.core.windows.net

Web the 2019 rzr xp 1000 wiring diagram is an essential document for anyone looking to purchase, operate, and maintain the rzr xp 1000. My suggestion would be to take your existing paper copies to. Web view and download polaris rzr xp 1000 service manual online.

Web The Polaris Rzr 1000 Wiring Diagram Is A Useful Tool For Anyone Wanting To Make Modifications Or Repairs To Their.


Web the 2019 rzr xp 1000 wiring diagram is an essential document for anyone looking to purchase, operate, and maintain the rzr xp 1000. Web the owner's manual for this vehicle contains warnings, instructions and other information you must read and fully understand before. Web understanding the polaris rzr 1000 wiring diagram can help you make sure your vehicle is always running its best,.

Web Ime, The Digital Copies Of The Service Manual Don't Have The Wiring Diagrams.


Web view and download polaris rzr xp 1000 service manual online. Rzr xp 1000 offroad vehicle pdf manual download. Web about this file.

My Suggestion Would Be To Take Your Existing Paper Copies To.


Thanks for reading our articles The Best Rzr 1000 Wiring Diagram: Find Your Model References.